 
                        Entre em contacto


• Troca rápida de emprego
• Acionado por correia em V nervurada
• Capacidades de trabalho multi-tipo
• Com bump & turn integrado permite girar caixas de papelão 90º e seu alinhamento
• Seção inferior com trava de segurança extra longa
• Seção extra dobrável e de fechamento com suporte central dobrável
• Adequado para caixas de papelão retas, com fundo de trava, de 4 e 6 cantos e muito mais
| MODELO | 650 | 800 | 1100 | 
| Material de papel | Flauta de papelão 210-800 GSM, B/N/E/F | ||
| Velocidade máxima | 400 M/minuto | ||
| Espessura máxima da caixa dobrada | 12 mm | ||
| Maneira de dobrar | Dobra 1 e dobra 3 são 180° e 135°, dobra 2 e dobra 4 são 180° | ||
| Fonte de energia | 3P 380V 50Hz | ||
| Largura em branco | 650 mm | 800 mm | 1100 mm | 
| Comprimento X Largura X Altura | 13 x 1,3 x 1,3 m | 15 x 1,5 x 1,3 m | 15 x 1,8 x 1,3 m | 
| Peso líquido | 5,5 T | 7,5 T | 8 T | 
| Potência total | 28,6 kW | 31,18 kW | 31,18 kW | 

| Seção de Alimentação ·Acionado por motor de frequência variável e |  | 
| Seção do alinhador ·Corrigindo o papel da alimentação |  | 
| Seção de pré-dobramento·Primeira linha de dobragem 180°, terceira linha de dobragem 135° pré-dobragem |  | 
| Seção inferior do Crash Lock·Placa de cinto superior do tipo seccional com design especial. |  | 
| Tanque de colagem inferior ·Grande volume. |  | 
|  | Dispositivo de 4/6 cantos ·Sistema eletrônico de rebatimento traseiro motorizado e sem temporização | 
|  | Seção de Dobramento e Fechamento ·Carregador central dobrável por sistema pneumático | 
|  | Trombone ·O cinto pode ser ajustado separadamente. | 
|  | Quadratura de caixa·Coleta de caixas de forma contínua e automática | 
|  | Transportador ·Equipado com uma cinta de esponja adicional especial para | 
|  | Sistema de pulverização ·Equipado com três armas | 
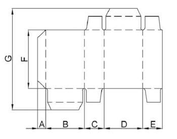
| Caixa de linha reta | 
 | |||
| Maneira de dobrar | Duas Carregamentos | Três Carregamentos | ||
| Modelo | Tipo 650 | Tipo 800 | Tipo 1100 | |
| Si+Dó+Ré+Mi | 130-650 | 140-800 | 200-1100 | |
| C+D (Mínimo) | 65 | 70 | 100 | |
| F | 70-800 | 70-800 | 70-800 | |
| G (Máx) | 800 | 800 | 800 | |
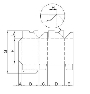
| Caixa inferior com trava de segurança | 
 | |||
| Maneira de dobrar | Duas Carregamentos | Três Carregamentos | ||
| Modelo | Tipo 650 | Tipo 800 | Tipo 1100 | |
| Si+Dó+Ré+Mi | 130-650 | 140-800 | 200-1100 | |
| C+D (Mínimo) | 65 | 70 | 100 | |
| F | 70-800 | 70-800 | 70-800 | |
| G (Máx) | 800 | 800 | 800 | |
| H (Mínimo) | 25 | 25 | 25 | |
| eu | 30-100 | 30-100 | 30-100 | |
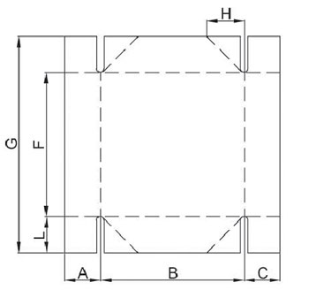
| Caixa de 4 Cantos | 
 | |||
| Maneira de dobrar | Duas Carregamentos | Três Carregamentos | ||
| Modelo | Tipo 650 | Tipo 800 | Tipo 1100 | |
| A+B+C | 120-650 | 120-800 | 120-1100 | |
| B (Mínimo) | 65 | 65 | 75 | |
| F | 70-800 | 70-800 | 70-800 | |
| G (Máx) | 800 | 800 | 800 | |
| H (Mínimo) | 25 | 25 | 25 | |
| eu | 30-100 | 30-100 | 30-100 | |
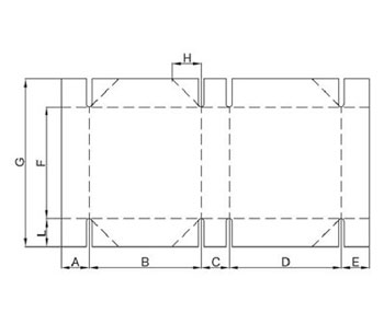
| Caixa de 6 Cantos | 
 | |||
| Maneira de dobrar | Duas Carregamentos | Três Carregamentos | ||
| Modelo | Tipo 650 | Tipo 800 | Tipo 1100 | |
| A+B+C+D+E | 210-650 | 210-800 | 210-1100 | |
| B (Mínimo) | 90 | 90 | 90 | |
| C (Mínimo) | 30 | 30 | 30 | |
| F | 70-800 | 70-800 | 70-800 | |
| G (Máx) | 800 | 800 | 800 | |
| H (Mínimo) | 25 | 25 | 25 | |
| eu | 30-100 | 30-100 | 30-100 | |

650LC-S

800LC-S

1100LC-S

Caso tenha alguma dúvida sobre a cotação ou cooperação, sinta-se à vontade para nos enviar um e-mail para every@gaokemachine.com ou utilizar o seguinte formulário de consulta. O nosso representante de vendas entrará em contacto consigo em até 24 horas. Agradecemos o seu interesse nos nossos produtos.
Rede de serviços com cobertura global significativa
Centros de maquinação de última geração
Precisão excepcional. Equipa experiente
Experiência em montagem e design
Máquinas disponíveis com opções de personalização
Serviços de instalação e manutenção eficientes
Suporte remoto para resolução de problemas
Consulta online disponível 24 horas por dia, 7 dias por semana
A indústria de embalagens está evoluindo rapidamente. À medida que as linhas de produção exigem maior velocidade, precisão e consistência, a automação inteligente se...
Muitas pessoas confiam em laminadoras de filme para proteger ou aprimorar produtos de papel — de caixas de embalagem a materiais impressos —, mas poucas conhecem as ...
Uma máquina de laminação de canais é um equipamento essencial para a produção de embalagens, mas seu desempenho depende muito de uma manutenção adequada. Muitos usuá...
OBTENHA UM ORÇAMENTO